6月 14, 2021

Share:

Brief E−mobility Deployment Outlook

E−mobility, electric powertrain, and vehicle electrification technologies have been around for years. In fact, the first electric vehicle (EV) appeared in the late 19th century.

However, in recent years there’s been a rebirth of interest in this alternative fuel technology, especially towards the end of the 20th century. Due to a desire to reduce the impact on the climate, the industry is experiencing a shift from internal combustion engine (ICE) vehicles.

ICE-based vehicles operate on oil, an increasingly scarce resource that heavily pollutes the environment and is a major contributor to climate change.

Until the last three to five years, we did not see a consistent proliferation of the e−mobility ecosystem with specific actions to roll it out along with the introduction of regulations, the deployment of infrastructure and the broadening offering of plug-in hybrid electric vehicles (PHEVs) and battery electric vehicles (BEVs) models, in the end improving the accessibility of EVs to the broad market.

 Figure 1. EV by the End of 19th Century

figure_fast_ev_charging_blog__1

One of the foremost drivers of that recent acceleration has been the emissions regulation policies imposed to automobile manufacturers worldwide. In Europe, stricter measures coming into effect since last year (2020) could have a severe impact on the bottom line [1] of car manufacturers that do not comply with them. These regulations will gradually become more stringent in the upcoming years. No wonder that carmakers are moving quickly and ramping up their pallet of BEVs models, with actual projections of 300 models hitting the road until2025[2][3].

At the consumer end, governments have been bolstering the transition into alternative fuel vehicles over the last years by offering benefits of different nature to xEVs owners. From tax exceptions, to free parking and charging services, access to High Occupancy Vehicle (HOV) lanes.

 Figure 2. BEVs Market Launches per Production Date.

figure_fast_ev_charging_blog__2

Source: McKinsey/IHS Automotive (July 2019)

Furthermore, if we look into the very recent past and present, COVID−19 has been and continues to be, an accelerator for incubating trends curing behind the scenes, such as robotization, 5G and connectivity, and of course, e−mobility...Particularly, with multi−year investment plans that prioritize new technologies and innovation–both at a public and private arenas. These forces are spurring EV and PHEV sales growth, especially in Europe now. China has been the trailblazer in adoption, market growth and offerings, but in recent months Europe has caught up in China on sales volumes, reaching an overall mark of 1.4 million units with a 137% increase YoY. China and US numbers hovering around 1.34 million and 0.33 million respectively.[4][5][6]

 Figure 3. Projected xEV Unit Sales 2020−2024. A report issued in 2020 before COVID−19 Impact. Source: IHS, Omdia, 2020.

figure_fast_ev_charging_blog__3

Fast EV Charging Infrastructure: Demand is Strongly Growing 

In addition to the direct incentives and measures to promote xEV adoption, there are other changes in the overall environment that are reinforcing the transition to e−mobility. Historically there have been underlying roadblocks that have hampered the evolution into the new model, the most prominent ones being: range anxiety, the price of xEV vehicles (falling within the ‘premium’ ICE category price ranges) and finally, the charging times of the batteries compared to filling the tank of a conventional vehicle (a simple, well−known concept and fast process). Well, range anxiety is being tackled by increasing battery capacities and the rising kWh/km ratios of vehicles. Prices of BEVs are being brought down steadily in recent years and coming closer to the broader mass−market categories, together with an increased offering of models as discussed in the previous section.

The last remaining hurdle is the charging time, where slow(up to max 22 kW effectively) and fast systems (22–400 kW and targeting above) coexist. In particular slow charging systems are already relatively widely available in households, public parking and workplace parking (Figure 4). Differently, fast-charging systems are mostly available publicly, in commercial areas, or in charging stations as they require dedicated electrical infrastructure meaning a significant investment. At the highest power rating of slow charging, the systems can provide 100 km additional range in ~ 50−60 minutes, but even these cannot be deployed at households easily. At the lower power end, 1.4 –3.7 kW rates (depending on region and applicable regulation it could be more power) are possible at households and privately when using a dedicated cable directly connected to the standard socket-outlet but take around 5 hours (at 3.7 kW) to add 100 km of range. On the contrary, fast-charging systems can deliver this range in less than ten minutes. For a significant share of drivers and use cases, slow charging might be a feasible solution, but clearly, not for everyone or every situation. 

 Figure 4. Private and Publicly Accessible Chargers by Country, 2019 (IEA2020)

figure_fast_ev_charging_blog__4

Therefore, an effective and sustainable transition into e−mobility will require the deployment of fast-charging infrastructure to keep pace with the growth of BEVs on the road. Not only quantitatively, but also in terms of power rating. The higher the power the shorter the charging times, and this is a significant factor as battery capacities keep augmenting and their technology improving, allowing for higher peak powers (faster charging rates). No wonder that growth estimation for fast chargers predicts a 31.8% CAGR in volume from 2020 to 2027 and a 39.8% CAGR in market size during the same period.[9] Figure 4 depicts the distribution of slow and fast chargers worldwide in 2019.

AC or DC Charging: Blurry Lines

In the context of e−mobility very often the cables and connectors used for charging are called ‘chargers’. Alternating current (AC) outlets with a dedicated hardware device (commonly known as ‘wallbox’) which serves as an interface to connect the charging wires and charge the vehicle are called, “chargers,” which can be confusing as if by ‘charger ‘we consider the actual device where the power conversion takes place, then the elements discussed above are not chargers.

AC charging and direct current (direct current) charging are simple concepts that might become fuzzy because of the aforementioned reasons. In essence, the difference lies in the mode of transfer of the power into the charging port of the vehicle (not into the battery). In AC charging mode, the AC power from the grid is delivered into the car via an AC outlet or charging stall. The car will manage the AC/DC power conversion via the On-Board Charger (OBC) – here properly named charger as there is power conversion − and deliver DC voltage and current to the batteries. On the other side, in DC charging mode, the AC−DC conversion is carried out outside the vehicle by an off−board charger–again we talk about the charger. Figure 5 illustrates different charging alternatives for an EV. There is a broad spectrum of DC charging power ratings, as space, weight and thermal restrictions are much more relaxed outside the vehicle. Therefore, DC charging might range from even below 11 kW and up to 400 kW. Of course, the use cases falling within these ranges might be very different.  Another point worth noting is that not all vehicles accept charging in high DC power levels. The majority of releasing vehicles nowadays can typically support at least 50 kW rates in DC mode.

 Figure 5. AC Charging and DC Charging Concept Diagram.

figure_fast_ev_charging_blog__5

Source: Yolé Development

AC charging is generally referred to as ‘slow charging’ due to its power limitation (22 kW at the highest end typically) and the minimum necessary time to charge. The AC higher power ranges (11 – 22 kW) might occasionally be referred to as ‘high power AC charging’ or ‘fast AC charging’, there is no actual definition though. On the other hand, those DC chargers with ratings as of 22 kW and spanning up to even 400 kW are considered ‘fast’. The term ‘ultrafast’ is as well used for powers above 50 kW, but there is no actual clear line or definition. The most common DC power ranges deployed nowadays range from 22–150 kW, with power, ranges between 200 – 350 kW gaining traction. Fast and ultra−fast DC chargers are generally only available publicly at dedicated areas with access to a three−phase power connection to the grid. Charging stations, predominant so far along highways, might display multiple ultra−fast chargers (>150 kW each). Such facilities require a dedicated high voltage transformer from the grid.

Charging Rates and Times

In order to get a notion of the charging times enabled nowadays, a simple calculation can get us a long way. Considering a vehicle with a battery of 60 kWh (BEVs releasing now integrate batteries between 30 and 120 kWh)[10] and a 100 kW DC charger, the following can be derived:

Charging time = Battery capacity (effective) *1 [kWh] / Average Charging Power [kW] Range of a full battery = Battery capacity (effective) *1[kWh]/Efficiency[kWh/100 km]60 kWh /100 kW =  36 min

60 kWh/(18 kWh/100 km*2) = ~ 333 km

*1 For the purpose of this exercise the complete battery capacity is considered. There might be EVs that might pose a limitation on the full ‘effective’ capacity.

*2 Generic value, will depend on the characteristics of each vehicle. Normally will fall between 12−23 kWh/100 km

It must be taken into consideration that not all vehicles on the road can support DC charging rates up to 100kW, the actual variation between models releasing at the moment typically range from below 50 kW and above 250 kW [11]. Similarly, there is also a noticeable variation in the efficiency of the vehicles, measured in kWh/100 km ratio. There are available databases [12] that provide detailed information for multiple BEVs. Furthermore, the average power along the charging process is not equal to the peak power accepted by the car, as the rating needs to be capped as the State of Charge (SOC) of the battery raises.

In any case, the example above is illuminating and provides a gauge to compare to ICE−based vehicles. Charging our EV at an average rate of 100 kWh will require 36 minutes to provide 333 km of range, or around 10 minutes to provide 100 km. For a conventional ICE−based vehicle, the same operation takes three to five for a complete refill. With these numbers at hand, it is no wonder that the market is rapidly evolving and pushing for higher power solutions [both on the electric vehicle supply equipment (EVSE) side and on the vehicle side] that allow charging powers in excess of 350 kW.

Standards and Protocols for DC Charging

In order to regulate and standardize AC and DC charging technologies and facilitate the development of compatible EVSE ecosystems that support e−mobility, several standards and IEC norms have been developed. These set frameworks, as global as possible, that help associations and the industry develop protocols and EVSE. Yet, it is far from being a trivial topic, as several standards and implementations from different organizations co−exist worldwide.

Taking a top−down approach and naming some of the essential standards (and the location of the HQs of the issuing organization) it comes to:

  • IEC−68151 (Switzerland)
  • IEC−62196 (Switzerland)
  • IEC61980 (Switzerland)
  • ISO1740 9:2020 (Switzerland)
  • SAEJ1772 (US)
  • GB/T18487 (China)
  • GB/T20234 (China)
  • GB/T27930 (China)

If we look into the actual charging protocols and ecosystems that draw from these standards we find three globally extended implementations for DC charging: the CHAdeMO (abbreviation of ‘charge de move’), the Combined Charging System (CCS) and the Tesla Supercharger. In China, the only standard and implemented protocol is the GB/T, and is also exclusive to the region. The next section will discuss some of the particularities of these protocols and standards.

What are some of the Important Standards for DC Charging?

IEC 61851. The International Electrotechnical Commission (IEC) has developed several of the standards listed in the previous section. The IEC61851 refers to ‘Electric Vehicle Conductive Charging Systems’ and is the central piece of the IEC series for EV charging, focusing on different topics of electric vehicle conductive charging system, including AC and DC charging up to 1000V and 1500V respectively [13]. This standard defines four different charging ‘modes’, where the first three ‘modes’ (1to3) refer to AC charging, and ‘mode’ 4 addresses DC charging. The IEC62196 defines ‘Plugs, socket − outlets, vehicle connectors and vehicle inlets and the IEC61980 addresses ‘EV wireless power transfer (WPT) systems. The ISO17409:2020 is the foundational standard on EV charging from the International Organization for Standardization (ISO) and complements exclusively the IEC61851 discussed above. The documentation addresses ‘Electrically propelled road vehicles — Conductive power transfer — Safety requirements’ for charging ‘modes’ 2, 3, 4 defined in IEC61851−1.

Figure 6. Representation of charging ‘Modes’ as defined in IEC−61851.

figure_fast_ev_charging_blog__6

Mode 4 defines DC Charging. Source: Phoenix Contact. SAEJ1772.

In North America, the governing standard is the SAEJ1772 (covering AC and DC charging). This documentation specifies DC Charging up to 400 kW delivered at 1000 V. Differently from the charging ‘modes’ in the IEC−61851, the SAEJ1772 establishes charging ‘levels’ and defines the following: ‘AC Level 1’, ‘AC Level 2’, ‘DC Level 1’ and ‘DC Level 2’ (revision 2017). One important remark to make here is that ‘Level 3’ charging remains an undefined term widely (and misleadingly) used to refer to DC charging. There have been actual projects for ‘AC Level3’ (although never fully developed) and ‘DC Level 3’ has been discussed. In any case, these are different concepts and are not used as a synonym for DC Charging. Furthermore, standards from different regions and organizations can be intertwined. The SAEJ1772 first defined the ‘SAEJ1772’ connector type for AC charging (named ‘SAEJ1772 connector’), used mostly in North America. The IEC−62196 adopted later that same connector and identified it as IEC−62196 Type1, in contrast to the IEC−62196 Type 2 connector, used for AC Charging in Europe. Since IEC connectors (Type 1 and Type 2) use the same SAEJ1772 signaling protocol, car manufacturers sell cars with either a SAEJ1772−2009 inlet or an IEC Type 2 inlet depending on the market.

DC Charging Protocols

As introduced in the previous section, there are three main charging protocols extended worldwide.

CHAdeMO – This association was founded in Japan in 2010 and develops EV charging protocols that bear the same name. The protocols and organization are supported and driven by the main automakers and other industry stakeholders in Japan. Nissan, Mitsubishi, Toyota, Hitachi, Honda and Panasonic to name a few, including some European players as well. The protocols draw from the IEC6185−1, −23, −24 and the IEC62196 standards discussed and define and use a dedicated connector (Figure 7). The protocols range from CHAdeMO0.9 up to CHAdeMO2.0. CHAdeMO1.2 (2017) and CHAdeMO2.0 (2018) support 200 kW/500 V and 400 kW / 1000 V respectively. CHAdeMO aims now for 900 kW chargers in a joint effort with China Electricity Council (CEC) to develop an ultra−high−power charging standard known as “ChaoJi” [14]. The collaboration also strives to become the first global protocol for ultra−fast chargers [15]. In May 2020 CHAdeMO reported achieving the mark of 32,000 fast chargers installed worldwide [16], 14,400 of these in Europe.

Figure 7. Fast DC Charger Connector Types. Tesla uses a proprietary connector in North America and other regions. In Europe and other regions where CCS and CHAdeMO networks are deployed, Tesla is adapting to these systems. Source:Enel X

figure_fast_ev_charging_blog__7

Combined Charging System (CCS)

Another fast DC charging protocol and system originally developed and endorsed mostly by European and American automobile manufacturers, EVSE infrastructure manufacturers and other industry-related players. Asian manufacturers have also joined the group. Most of these organizations are formally organized as the CharIN association, responsible for the development and promotion of the protocols. The CCS system is aligned with the IEC, SAE and ISO standards applicable, and supports both AC charging (single−and three−phase) and DC charging, providing DC charging capabilities in excess of 200 kW, with 350 kW being in preparation [17]. At the time of writing, the CharIN website lists an overall number of deployed charging points of more than 33,800 DC, distributed in the following power ranges: 6% below 50 kW, 58% 50 kW, 29% 150 kW and 7% 250 kW. CSS specifies two connectors for DC Charging, Combo 1 and Combo (Figure 8) which build upon the original AC charging counterparts (Type1 and Type2) by adding a two−pin socket for the DCcurrents. In such a fashion, a unique socket type on the vehicle (per region) allows both DC charging and AC charging. Most CharIN European members came together in a joint−venture under the name IONITY, as an effort to develop and deploy a European−wide fast−charging station network.

Figure 8. Charging Stations with AC, DC (CHAdeMO) and DC (CCS) Connectors

figure_fast_ev_charging_blog__8

Fast DC Charging Use Cases and Configurations

In previous sections we have discussed and learned about fast DC charging:

  • What it is and what it is not.
  • Power and voltage levels and charging times.
  • Existing standards and protocols.

In this section the discussion will take us a step deeper into the technology, and expose a)the configurations in which the actual DC chargers are deployed and b) present the crucial power electronics ‘under the hood’ that have become a cornerstone for e−mobility. Unsurprisingly, fast DC EV charging is one of the propellers, after EVs themselves, of innovation in the power electronics space and one of the markets with the most rapid adoption of novel power technologies such as silicon−carbide (SiC).

Infrastructure Configuration of DC Chargers

The first and most common use case in which DC EVSE has deployed consists of an end−to−end system, from the grid to the EV’s batteries (Figure 9). This use case is found nowadays both in charging stations, displaying several of these converters and in stand−alone single charging points. Charging stations with multiple fast or ultra−fast chargers require a high voltage grid isolation transformer of up to 1 MW (and above) in order to reliably and uninterruptedly deliver the power.

Internally, these chargers consist of an AC−DC three−phase active rectification stage at the front−end, which performs Power Factor Correction (PFC) and boosts the DC link voltage level. Subsequently, an isolated DC−DC conversion stage adapts the output voltage and current to the needs of the batteries in the EV.

Figure 9 shows the system blocks. In order to maximize efficiency as well as size, higher voltage systems are more and more in demand. This applies both for the intermediate bus voltage(between PFC and DC−DC converters), but also for the output voltage, as EV batteries of 800 V and above are becoming commonplace.

Such high power and high voltage applications reap the benefits of SiC−module technology, which exhibits higher breakdown voltages, lower RDSONs and dynamic losses, and superior thermal performance. The reduction of losses, the possibility of increased switching frequencies and the enhanced thermal dissipation make possible the reduction of the system size, with shrunk passive components and lower cooling requirements. This unique set of properties render SiC−module technology a key enabler for high efficiency, power−dense and compact fast DC charging solutions, which can be conveniently deployed and scaled in great measure. The internal modularity of the fast DC chargers is also worth noting in this context, as most of the systems feature stacked sub−units between 15 – 75 kW each (Figure 9), which makes systems more flexible and robust and simplify production.

Figure 9. Diagram of Fast DC EV Charger Architecture (left). High Power DC EV Charger with Multiple Power Stages Stacked (right).

figure_fast_ev_charging_blog__9

A second EVSE deployment configuration, which will gain relevance as e−mobility further penetrates the market and seizes a significant piece of the transportation cake, includes the integration of energy storage systems (ESS). This use case could involve as well the integration of renewable distributed energy resources (DER), mostly solar power. This type of infrastructure will be a key plank to sustain the e−mobility environment, where charging stations will become focal points of consumption and require high peak powers. For instance, 5 charges with a rating of 100 kW result in half MW of peak power. It will be practically impossible for the grid alone to sustain such peak powers in multiple charging stations, which will be flourishing across the territory. To be able to deliver energy reliably along the day, energy will be sourced from the grid and transferred into high voltage ESS during valley hours. Additionally, solar power would support the stored energy pool to help to maintain energy levels [20].

Figure 10. Possible Block Diagram of an Integration of Energy Storage and Solar Power to EV Charging Station

figure_fast_ev_charging_blog__10

Such configuration will raise the need for a different architecture of DC chargers, where the rectification PFC stage and the DC−DC stage are separate units. Figure 10 shows an example of what such an installation could look like. At the front−end, the three−phase PFC boost stage (AC−DC) delivers power from the grid into the DC BUS. At the back end, the energy provided by this SC−DC bi−directional converter produced by the solar PVs is fed into the EV chargers (DC−DC converters) or saved in the ESS. The step−down DC−DC converters tied to the vehicles would adapt their output voltage to battery compatible voltage levels 400 V−1000 V.

What are Common Topologies and Power Devices Used in Fast DC Chargers?

In the previous section the standard configuration for fast DCEV Charging infrastructure has been introduced, along with another possible typical infrastructure in the future. An overview of typical power converter topologies and power devices for the AC−DC and the DC−DC used in fast DCEV chargers nowadays is presented below.

Active Rectification Three−Phase PFC Boost Topologies

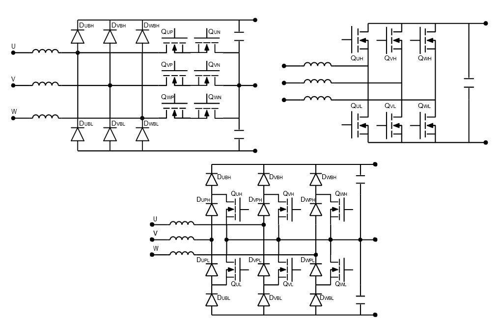
The front−end three−phase PFC boost stage might be implemented in multiple topologies, and several ones might fulfill the same electrical requirements. A detailed overview and discussion of the pros and cons and operation for each of these topologies is presented in ‘Demystifying three−phase PFC topologies’. Figure 11 illustrates common PFC architectures in Fast DC EV charging applications. One of the first distinctions to be made among them is bi−directionality. The T−Neutral Point Clamp (T−NPC) and I−NPC topologies are suitable for bi−directional operation by replacing some of the diodes with switches. The 6−switch architecture is a bi−directional perse.

Figure 11. Typical Three−Phase Power Factor Correction (PFC) Boost Topologies for Fast DC EV−Charging.

figure_fast_ev_charging_blog__11

T−NPC (top−left), 6−switch (top−right) and I−NPC (bottom)

An additional important factor that will influence the design and the voltage rating of the power devices is the number of levels in the architecture. The 6−switch topology is a 2−level architecture, normally implemented with 900 V or 1200 V switches for Fast DC EV Chargers. Here SiC MOSFET − modules with low RDS on (6−40 mQ) area preferred solution, especially for higher power ranges above 15 kW per block. Such integrations exhibit a superior power performance than discrete solutions, increasing efficiency, simplifying the design, reducing overall system size and maximizing reliability. The T−Neutral Point Clamp (T−NPC) is a 3−level topology that uses 1200 V rectifiers (replaced with switches in a bi−directional format), with 650 V switches back−to−back on the neutral path. The I−NPC is a 3−level architecture and might be fully implemented with 650 V switches. The 650 V SiC MOSFETs or IGBTs with co−pack diode represent excellent alternative solutions for these 3−level topologies.


figure_fast_ev_charging_blog__12

Figure 12. F1−2 PACK SiC MOSFET Module Half−Bridge. 1200V,10mQ


DC−DC Topologies

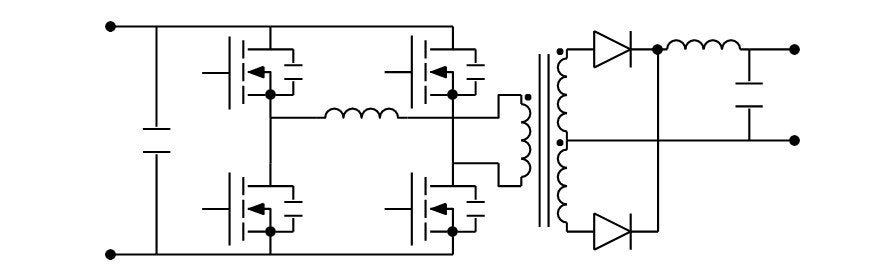
When looking into the DC−DC conversion stages, three main isolated topologies are employed: the full−bridge LLC resonant converter, the full−bridge phase−shift Dual ActiveBridge (DAB) Zero Voltage Transition (ZVT) converter and the full−bridge phase−shift ZVT converter (Figures 13, 14 and 15). 


Full−bridge LLC resonant

The LLC converter enables Zero Voltage Switching (ZVS) on the primary side and also − at the resonant frequency and below − Zero Current Switching (ZCS) on the secondary side, resulting in a very high peak efficiency around the resonant frequency. As a pure frequency modulated (FM) system, the LLC efficiency degrades when the system operating point shifts away from the resonant frequency, which might be the case when wide output voltage operation is required. Yet, advanced hybrid modulation schemes enable today's pulse with modulation (PWM) in combination with FM, limiting the max frequency runaway and the high losses. Still, these hybrid implementations add complexity to the already sometimes cumbersome LLC control algorithms. Furthermore, the current sharing and synchronization of LLCs converters in parallel is not trivial. In general, when possible to be operated around relatively tight voltage ranges, and/or when the development skills to implement advance control strategies that combine FM and PWM are available, the LLC is a design difficult to beat. Not only could it deliver the highest efficiency, but be a very well−rounded solution from all perspectives. The LLC can be implemented in a bi−directional format as a CLLC, which is another sophisticated topology.


figure_fast_ev_charging_blog__13

Figure 13. Full−Bridge LLC Converter

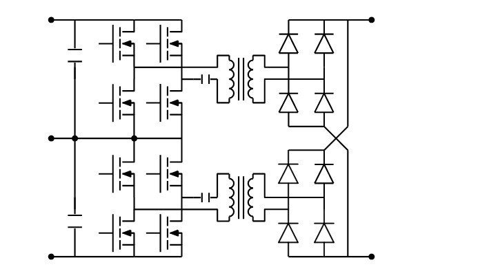
Phase−shifted full−bridge DAB with secondary synchronous rectification topologies is also very typical. These operate with PWM and in general require a simpler control than LLC converters. The DAB can be considered an evolution of the conventional full−bridge phase−shift ZVT converter, but with the leakage inductor on the primary side, which simplifies the cumbersome secondary side rectification and reduces the necessary breakdown voltage rating on secondary switches or diodes. With ZVT achieved, these converters can provide stable high efficiency across a wide output voltage range. This is a convenient factor for chargers supporting 800 V and 400 V battery voltage levels. The PWM operation of the DAB brings benefits. Firstly, it tends to keep the Electromagnetic Interference (EMI) spectrum of the converter tighter than in FM systems. Furthermore, the behavior of the system at low loads is easier to address with a fixed switching frequency. Implemented with synchronous rectification, the DAB is a bi−directional native topology and is one of the most versatile alternatives and suitable solutions for fast EV−Chargers.

 

figure_fast_ev_charging_blog__14

Figure 14. Full−Bridge Phase−Shift DAB ZVT Converters


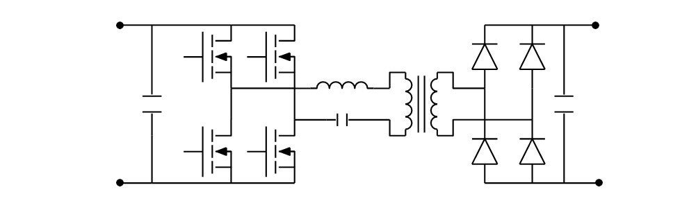
For uni−directional operation, the conventional full−bridge phase−shift ZVT (Figure 15) remains still a utilized option with diminishing penetration. This topology operates similarly to the DAB, but the inductor sitting on the secondary side introduces a significant difference in the rectification behavior. The inductor sets high reverse voltages on the diodes, which will be proportional and inversely proportional to the duty cycle, and therefore, depending on the operating conditions, reverse voltages on the diode in excess of two and three times the output voltage might arise. Such a situation might be challenging to address in high output voltage systems (like in EV chargers) and typically multiple secondary windings (featuring a lower output voltage) are connected in series. Such a configuration is not so convenient, especially if forgiven power and voltage ratings a different topology with a single output would deliver the same or better performance.

SiC − modules represent a very suitable and common solution for the full−bridge in the DC−DC power conversion stages mentioned above, starting at 15 kW. The higher frequencies enabled help shrink the transformer and inductor sizes and therefore the complete solution form factor.

 

figure_fast_ev_charging_blog__15

Figure 15. Full−Bridge Phase−Shift ZVT Converters


Topology variations

Multiple variants for the discussed topologies exist, bringing additional advantages and compromises. Figure 16 shows a common alternative of the full-bridge LLC converter used for fast EV charging. In the phase−shift, the switches are under half of the input voltage and 600V and 650 V break−down voltage devices are used. 650 V SiCMOSFETs650 V SuperFET 3 Fast Recovery (FR) MOSFETs and 650 V FS4 IGBT will help address different system requirements. Similarly, diodes and rectifiers for the primary side need blocking voltage ratings of 650 V. These 3−level architectures allow for unipolar switching, which contributes to reducing the peak current and current ripples, which will result in a smaller transformer. One of the main downsides of this topology is the additional complexity level that the control algorithm requires, compared to the 2−level version with fewer power switches. The Dual Active Bridge as well as the can easily be connected in parallel or stacked both on the primary side and on the secondary side to best suit the current and voltage needs of the fast EV Charger.


figure_fast_ev_charging_blog__16

Figure 16. 3−Level Full Bridge LLC.

This variation is stacked on the primary side (only half of the input voltage is applied to each transformer) and connected in parallel on the secondary side.


Secondary Side Rectification

Regarding the secondary rectification stage, multiple solutions are possible as seen in Figure 15 and all could be used with different topologies. For 400 V and 800 V battery levels and full−bridge rectification, the 650 V and 1200 V SiC Schottky diodes typically bring a unique performance−to−cost solution. Due to their zero reverse recovery characteristic, these devices significantly enhance rectification performance and efficiency compared to silicon−based alternatives, drastically reducing losses and the complexity of the rectification stage. Silicon−based diodes such as the Hyperfast, UltraFast, and Stealth could serve as an alternative in very cost constraint projects at the expense of performance and complexity. Solutions with center−tap rectification (Figure 15) are not convenient for high voltage output rectification stages. Unlike in full−bridge rectification, where diodes with a standard reverse high-voltage equal to the output voltage, in center−tapped configurations the diodes withstand two times this value. Regular full−bridge phase−shift converters (inductor at the secondary side), as explained, require higher breakdown voltage diodes in both rectification methods (full−bridge or center−tap rectification). To overcome the need for 1200 V or 1700 V rated diodes in conventional full−bridge phase−shift converters, several outputs would be connected in series.


Additional Important Design Considerations

Beyond the topologies and switching devices in the power converters, there are other important areas to consider when developing a fast EV charger, especially when using SiC switches operating at high frequencies.


Gate Driver System

Overarching across all the topologies the driver systems remain a crucial aspect of Fast DC EV Chargers, having a direct influence on the system performance.


Isolation

One of the first considerations to address under the topic in isolation. Given the high powers and voltages discussed for Fast DC EV chargersgalvanic isolation is imperative for the high−side drivers. For the low−side counterparts, although not always strictly necessary in terms of safety, a common practice is to use the same gate driver system and circuit as in the high−side. Such an approach brings multiple benefits, both for the solution implementation and the system robustness. On one side it favors the delay matching between switching devices on the same half−bridge. This simplifies the control and the implementation of the PWM sequences and dead times to prevent shoot−through events. Furthermore, isolated drivers bolster the ruggedness of the systems by maximizing its Common Mode Transient Immunity (CMTI), which is of special importance in systems using fast−switched wide-bandgap technologies driven at high dV/dt such as SiC. An important remark to make here as well is that power switches with Kelvin connection will require a floating or galvanic−isolated driver (both on the high side and the low side) to reap the benefits of the configuration, as it will significantly reduce losses and enhance propagations times.

On−chip protection and features:

Another key consideration for the gate drivers is the integration of features (beyond galvanic−isolation) and protections on−chip. Depending on the system requirements and type of switches, protections such as over current protection (‘DESAT’)–typical for IGBTs and SiC MOSFETs −, Miller Clamp (avoid false turn−on) might be required. Including these or other necessary features in−package enables compact systems and minimizes parasitic inductances in the layout, a fundamental requirement for high switching frequency systems with SiC. In−build protections are also very handy in digitally controlled systems, to provide onboard protection. In regards to the system efficiency, the sink and source current capabilities of the gate drivers will be crucial to enable fast switching transitions by charging and discharging the parasitic gate capacitance quickly. This is of special importance in high power applications when using SiC technology, as this enables faster transitions than with Si−based IGBTs or SJ MOSFETs.

The galvanic−isolated gate driver families NCD57XXX and NCD51XXX with 3.5kV and 5kV ratings bring design flexibility and system reliability for the development of fast EV chargers, incorporating multiple features and protections on−chip and exhibiting high driving current capabilities up to 9A. The portfolio comprises of single-channel drivers such as the NCD57000/1, NCD5708x, NCD5709x, NCP51152/7 and dual-channel drivers such as NCP51561, NCP51563 and NCD57252/256 to fit all use cases.


figure_fast_ev_charging_blog__17

Figure 17. Block Diagram of Galvanic Isolated Single−Channel and Dual−Channel Gate Drivers


Driver supply

An adjacent topic to gate drivers is the isolated power supply required to drive them. Best performance for the SiC switches is achieved with +20 V−5 V bias voltages, while IGBTs normally require +15 V/0Vor−15 V. Further details on can be found in ‘Gen11200VSiCMOSFETs & Modules: Characteristics and Driving Recommendations’. Equally, as for the gate drivers, the supplies require compactness and ruggedness, ensuring stable voltage rails under all operating conditions. Supplies around the NCV3064 switching regulator such as the LVDCDC3064−IGBT and LVDCDC3064−SIC help fulfill these needs.


Protections

Another important consideration for Fast DC EV Charging are the necessary safety protections in the system, and in particular, those mandated by regulations. Mandatory protection is against Ground Fault Current (GFC) in the off−board, to prevent the risk of hazardous electric shocks for humans. In particular, the Charging Circuit Interrupting Device(CCID)isspecificallydevelopedforEVCharging,andtheIEC61851−1(earlier discussed)and the UL 2231−1/2 standards regulate its implementation for Europe/Asia and North America respectively. The FAN4147 and NCS37014 GFC interrupters address the requirements of these regulations and provide an off−the−shelf solution to develop safety−compliant EVSE.


Auxiliary Power

Auxiliary power supply units (PSU) are ubiquitous on power systems and Fast DC  EVCharging is not an exception. An isolated fly back topology is the convenient and reliable option to provide the typically 10−40 W required to supply the low voltage systems. In particular, for Fast DC EV Charging, the voltage level of the DC bus is one of the primary elements that influence the complete system. The trend is to increase these levels, in order to reduce peak currents for a given power level and improve efficiency. Nowadays, DC bus voltage levels up to 800 V (and increasing) are common, and not all legacy solutions remain suitable for EV Charging. Here, PSUs developed around the NCP1362 quasi−resonant valley switching primary side or the NCP1252 and NCP12700 secondary side controllers can help address these needs. On the switch side, 1200 V SiC MOSFETs with high RDS on (160 mOhms) are being rapidly adopted as they bring an excellent performance−to−cost ratio and an optimal solution for 900 VDC systems.


Boling Everything Down

In the first section of this blog, we have seen how the EV market growth is accelerating and why fast DC charging needs to (and will) keep traction as more EVs hit the road. During most of the recent past months, news pointing to this direction has mushroomed one of the last being the announcement by the US president of a 500.000 DC chargers network plan by 2030 [21]. The ultimate goals are to propel e−mobility mainstream adoption, move away from ICE-based transportation and fight climate change. Fast and ultra−fast DC chargers are a key plank of e−mobility and an indispensable element to complete the ecosystem with the lower power AC charging alternatives, available at households that allow charging during longer times. Being a nascent and rapidly evolving market the requirements and use cases of fast DC EV chargers are in a constant upgrade, leaving a space where a variety of solutions and different optimizations are needed. The common denominator in all these, though, will be increasing higher powers, voltage levels and efficiencies. Furthermore, stronger constraints on size, weight and cost and reliability are expected as such infrastructure is massively rolled out, the competitive landscape becomes harsher and ROIs for installations are to be maximized. Take now the fact that SiC power technology is maturing and that its prices are achieving an attractive level, this leaves a space for advanced SiC Power Integrated Modules technology to thrive. Higher efficiencies and superior thermal performance that result in lighter, smaller and cost-optimized charging systems that deliver up to 400 kW. Beyond the intrinsic advantages of the SiC technology and power modules, the reliability of the chargers remains a cornerstone for the effective and broad deployment of e−mobility. onsemi not only is a leading player in SiC technology and power integrated modules, but it also makes a difference in the quality. Being one of the very few suppliers with a full supply chain integration for SiC, onsemi ensures the highest quality and reliability standards of our SiC discrete and module products as well as operational excellence and flexibility.

Learn more about our fast DC EV chargers solution!

 

Continuous Learning:

 

Be sure to subscribe to our blog and follow us on social media to receive the latest updates on our technologies, solutions and company news!

Twitter | Facebook | LinkedIn | Instagram | YouTube    

Featured

Automotive Solutions

The automotive industry is undergoing a profound transformation driven by electrification, connectivity and intelligent design. At onsemi, we enable this evolution with semiconductor solutions that power next-generation vehicles, focusing on key solutions: Electric and Hybrid Powertrain, LED Lighting, Zonal Architecture and ADAS.

Electrified powertrains are at the heart of sustainable mobility, delivering higher efficiency, extended range and reduced emissions. From traction inverters, OBCs and DC-DC converters to auxiliary systems, our technologies support battery architectures from 400 V to 800 V, enabling robust and scalable designs for Battery Electric Vehicles (BEVs), Plug-in Hybrids (PHEVs) and Mild Hybrids (MHEVs).

Lighting is no longer just functional, it’s a design and safety feature. Advanced LED solutions provide adaptive illumination, energy savings and brand differentiation while complementing ADAS systems for enhanced visibility and driver confidence.

Zonal Architecture represents the future of vehicle electronics. By decentralizing power distribution and simplifying wiring, zonal systems reduce complexity and weight while enabling software-defined vehicles and over-the-air updates. This architecture supports advanced networking protocols like 10BASE-T1S automotive Ethernet for seamless communication.

ADAS technologies elevate safety and convenience, integrating cameras, sensors and intelligent control to assist drivers in real time. Together, these solutions form the foundation for smarter, safer and more connected vehicles.

Explore how onsemi empowers automotive innovation with reliable, high-performance semiconductor solutions for every application.

Industrial

In the industrial sector, onsemi enables OEMs to develop next‑generation systems that meet the performance, efficiency, and reliability demands of Industry 4.0. Our technologies drive advancements across Energy Infrastructure, Industrial Automation and Smart Building and City applications. With wide‑bandgap SiC and GaN devices, high‑performance MOSFETs, IGBTs, and advanced gate drivers, we deliver high‑efficiency power conversion solutions for demanding industrial environments.

In industrial automation, onsemi provides precise motor control, industrial‑grade image sensors, depth‑sensing, and robust connectivity that support high‑accuracy machine vision, robotics, automated material handling, and predictive maintenance enabling fully connected, data‑driven manufacturing. Across energy infrastructure, our SiC power modules and high‑efficiency conversion platforms power solar inverters, energy storage, smart‑grid stages, and high‑power EV charging, increasing system efficiency and long‑term reliability.

Smart building ecosystems benefit from onsemi’s motor drivers and power devices for heat pumps and HVAC optimization, industrial‑grade imaging for security and surveillance cameras, and compact, high‑efficiency power solutions for small EVs and battery‑powered tools. Secure connectivity integrates these systems into building automation frameworks that reduce energy consumption and enhance safety. In smart cities, onsemi imaging and low‑power connectivity support public safety monitoring, traffic analytics, and distributed environmental sensing delivering scalable, reliable urban‑infrastructure solutions.

With decades of expertise, onsemi helps OEMs reduce energy consumption, enhance system reliability, and accelerate the adoption of sustainable, connected technologies shaping a cleaner, smarter, and more resilient future.

DC Fast EV Charging

onsemi’s advanced silicon carbide (SiC) technology and packaging innovation drive higher power density in DC fast charging—enabling more power in existing designs, and smaller, more efficient systems for next-gen designs. With a comprehensive intelligent power portfolio supporting AC Level 1 and 2 through high‑power level 3 DC fast charging, onsemi addresses the growing needs of passenger EVs as well as commercial and agricultural fleets. More than 20 years of system expertise allow us to deliver integrated, scalable solutions that simplify design and accelerate deployment.