8月 08, 2024

Share:

交通機関やインフラの分野では、電化に向けた大きな転換が進んでいます。乗用車や商用車/農業用車両(CAV)など、あらゆる車両が電気推進に移行しています。IEA  によると、2022年に太陽光発電による再生可能エネルギーの量が1300TWhとなり、初めて風力発電を上回りました。

エネルギーの変換にはインバータとコンバータが必要です。太陽光発電(PV)パネルはDCを生成しますが、電力網はACで運用されます。電気自動車(EV)のトラクションバッテリ・システムはDCなので、同じような状況が存在します。エンジン内のトラクションモータにはACが必要です。

どちらの場合も、電力変換プロセスにおいて、損失は熱として現れるため、プロセスの効率が非常に重要であり、ファンやヒートシンクなどの熱軽減対策の必要性が、最終的により大規模なソリューションとなります。所定の電力レベルで実装面積を小さくするには、サイズと重量が重要です。

IGBTベースのモジュールは電力変換アプリケーションに広く使用されており、適切なモジュールを選択することでシステム全体の性能が決まります。最新のハーフブリッジIGBTモジュールの詳細をご覧ください。当社の最新Field Stop 7 (FS7) IGBTベースのQDual3モジュールに関する限定ウェビナーにご参加ください。


適切なトポロジの発見 

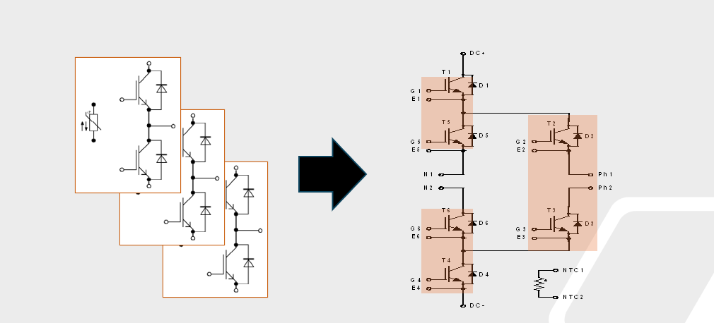
最高の効率を得るには、最適な回路構成を選択することが重要です。ソーラーインバータとバッテリエネルギー貯蔵インバータでは、トポロジが性能と効率を高めるように設計されており、通常3レベルアクティブ中性点クランプ (ANPC) コンバータが使用されます。図1に示すように、3つのハーフブリッジモジュールを接続してANPCトポロジを形成できます。このトポロジは、制御を改善し損失を低減するために、一般的にハイパワーIGBTスイッチを使用しています。このトポロジにより、個々のコンポーネントにかかる電圧ストレスも軽減され、信頼性が向上します。


図1:モジュールを使用してANPCコンバータを容易に構築
図1:モジュールを使用してANPCコンバータを容易に構築


設計エンジニアは、複数のオンセミQDual 3 IGBTモジュールを並列接続することで、1.6~1.8 MWの出力が可能な高性能3レベルANPCコンバータを構築できます。


オンセミの新しい高電力QDual3技術

QDual 3モジュールのスイッチに使用される基礎技術は、性能と効率に大きな影響を与えます。このモジュールは、最新のFS7(Field Stop 7)IGBT技術をベースにし、ソーラーインバータエネルギー貯蔵、CAVなどの高出力 アプリケーションで最高レベルの性能を発揮します。これは主に、主要パラメータVCE(SAT)が前世代のIGBTと比較して0.4V改善されたことが大きな要因です。

また、FS7技術はチップサイズも従来から約30%縮小しています。チップ電力密度の向上と、導電トレース幅の最大化や電源端子設計などの他のパッケージングの改良を組み合わせることで、QDual3は最新世代のIGBTパワーモジュールからより高い電流を流すことができます。


図2:オンセミの新しいQDual3ハーフブリッジIGBTモジュール
図2:オンセミの新しいQDual3ハーフブリッジIGBTモジュール


外形とフットプリントが同じ従来の600Aモジュールと比較して、Qdual3ソリューションは33%高い電流能力(800A)を提供します。600Aモジュールでは、ANPC 1.725MWインバータを構築するのに、合計36個のモジュールを組み合わせる必要があります。しかし、Qdual3モジュールの定格電流は800Aと高いため、必要なモジュール数が少なくなり、1.725MWのインバータの所要モジュールは27個です。モジュール数が9個減ることで、サイズと重量が25%削減され、管理システムコストが削減されます。

QDual3は、商用車や農業用車両のモータ駆動にも広く使用されています。車両全体では、並列化の低減による効率向上で、より高い出力を達成することができます。これらはすべて、車両の航続距離の延長とシステム設計の簡素化に役立ちます。 


図3:高い定格電流により高電力システムに必要なモジュール数を低減
図3:高い定格電流により高電力システムに必要なモジュール数を低減


各モジュールには、取り付けと熱管理のための絶縁ベースプレートが搭載されています。業界標準のレイアウトパターンで構成されたはんだ付けが可能なピンを使用して、PCBに直接実装できます。これにより、マルチソーシングが可能になるだけでなく、既存の設計にユニットを後付けでき、最新技術のメリットを享受することができます。


図4:超音波溶接による温度低下と信頼性向上
図4:超音波溶接による温度低下と信頼性向上


信頼性が非常に重要であるため、すべてのQDual3モジュールには、市場の同等のデバイスで実施される試験を上回る、オンセミの厳格な信頼性試験を実施しています。湿度試験は、競合デバイスでは80Vで1000時間実施されるのに対して、960Vバイアスで2000時間実施されます。振動試験(CAV アプリケーションには必須)は、AQG324に適合するために10G RMSで22時間実施されます。これは他で使われる5G/1時間よりもはるかに高い値です。

QDual 3 モジュールがどのように効率向上、コスト削減および設計の簡素化を実現させるかについては、オンセミウェビナーでご紹介しますので、ぜひご参加ください。


関連資料:

製品ページ: NXH800H120L7QDSGSNXH800H120L7QDSG

データシート: NXH800H120L7QDSGSNXH800H120LQDSG

ソリューションガイド:Battery Energy Storage System

ビデオ:Latest onsemi 7th Gen QDual3 IGBT Modules Simplify Design and Reduce Costs